Zum Blockieren geht sonst auch der von Mercedes vorgeschlagene Bohrer mit 4mm Durchmesser super.
Ansonsten die Dehmomente laut MB, Ansicht von vorn:
- mit Aussattungscode HH9 (Klimaanlage geregelt, (Tempmatik))
--> Schraube an Umlenkrolle oben links an Aggregateträger
--> Schraube an Umlenkrolle ...
Die Suche ergab 63 Treffer
- 09 Apr 2025 07:17
- Forum: Sprinter 2 (NCV3) & VW Crafter 1
- Thema: Keilriemen wechseln OM651
- Antworten: 40
- Zugriffe: 33030
- 05 Mär 2025 06:46
- Forum: Sprinter 2 (NCV3) & VW Crafter 1
- Thema: Zuziehhilfe für Schiebetür nachrüsten?
- Antworten: 38
- Zugriffe: 24081
Re: Zuziehhilfe für Schiebetür nachrüsten?
Hallo Chris,
super, dass die Schaltung auch bei dir funktioniert. An sich gibt es auch die Möglichkeit das obere Schloss (inkl. Aktor in der Tür) nachzurüsten. Allerdings war mir das für den ersten Schritt zu viel Aufwand. Wenn ich mal wieder Zeit habe überleg ich mir das aber vielleicht nochmal ...
super, dass die Schaltung auch bei dir funktioniert. An sich gibt es auch die Möglichkeit das obere Schloss (inkl. Aktor in der Tür) nachzurüsten. Allerdings war mir das für den ersten Schritt zu viel Aufwand. Wenn ich mal wieder Zeit habe überleg ich mir das aber vielleicht nochmal ...
- 25 Jan 2025 13:51
- Forum: Sprinter 2 (NCV3) & VW Crafter 1
- Thema: Zuziehhilfe für Schiebetür nachrüsten?
- Antworten: 38
- Zugriffe: 24081
Re: Zuziehhilfe für Schiebetür nachrüsten?
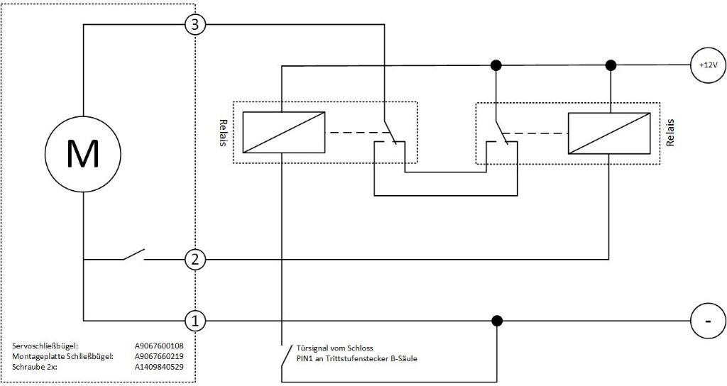
Der Bügel fährt bei angelegter Spannung dauerhaft und schaltet in den Endpositionen jeweils die Masse an bzw. aus an Pin 2.
- 12 Dez 2024 14:55
- Forum: Sprinter 2 (NCV3) & VW Crafter 1
- Thema: Sprinter Ersatzteil W906
- Antworten: 8
- Zugriffe: 1655
Re: Sprinter Ersatzteil W906
Such mal nach "Reparaturblech Radlauf hinten links Sprinter 906", allerdings handelt es sich dabei nur um den unteren Teil und am Falz muss du die Schweißpunkte aufbohren, oder aufschleifen.
Achte darauf, dass du dir richtige Variante findet für deinen Radstand bzw. Fahrzeuglänge.
Eine passende A ...
Achte darauf, dass du dir richtige Variante findet für deinen Radstand bzw. Fahrzeuglänge.
Eine passende A ...
- 12 Dez 2024 13:49
- Forum: Sprinter 2 (NCV3) & VW Crafter 1
- Thema: LED-Scheinwerfer statt H7 nachrüsten
- Antworten: 591
- Zugriffe: 227499
Re: LED-Scheinwerfer statt H7 nachrüsten
Nix EZS, einfach im KI deaktivieren (Highline)
MIT Mopf 906 2016 getestet - funktioniert.
Ich habe heute auch die Codierung vorgenommen. Nach Deaktivierung im KI war leider die Kontrolle immer noch aktiv. Erst nachdem ich im EZS die Deaktivierung vorgenommen habe blieb die Kontrollleuchte aus ...
- 14 Okt 2024 20:18
- Forum: Sprinter 2 (NCV3) & VW Crafter 1
- Thema: Zuziehhilfe für Schiebetür nachrüsten?
- Antworten: 38
- Zugriffe: 24081
Re: Zuziehhilfe für Schiebetür nachrüsten?
...
Aber bevor ich mir das was teures technisches kaufe..... Ein Stück Gurtband, Schraube und U-Scheibe und fertig ist eine praktische "Zuziehhilfe".
Ansonsten, man kann ja auch durch die Fahrertür raus/rein :D
An sich geb ich dir da Recht, aber:
Ich habe eine Trennwand und kann leider nicht ...
- 11 Okt 2024 21:53
- Forum: Sprinter 2 (NCV3) & VW Crafter 1
- Thema: Zuziehhilfe für Schiebetür nachrüsten?
- Antworten: 38
- Zugriffe: 24081
Re: Zuziehhilfe für Schiebetür nachrüsten?
Heute bin ich endlich zum Testen gekommen.
An sich funktioniert die zweite Schaltung genau wie gewünscht und ich konnte keine unerwünschten Wechselwirkungen mit der Fahrzeugelektronik feststellen. Ver-/Entriegeln funktioniert. Ebenso das automatisches Verriegeln bei Nichtöffnen nach ...
An sich funktioniert die zweite Schaltung genau wie gewünscht und ich konnte keine unerwünschten Wechselwirkungen mit der Fahrzeugelektronik feststellen. Ver-/Entriegeln funktioniert. Ebenso das automatisches Verriegeln bei Nichtöffnen nach ...
- 27 Sep 2024 10:52
- Forum: Sprinter 2 (NCV3) & VW Crafter 1
- Thema: Zuziehhilfe für Schiebetür nachrüsten?
- Antworten: 38
- Zugriffe: 24081
Re: Zuziehhilfe für Schiebetür nachrüsten?
Mit der folgenden Schaltung, sollte sogar eine Ansteuerung mittels Türkontakt möglich sein.
Leider komme ich Nachwuchsbedingt nur wenig zum Testen, aber wenn ich es umgesetzt habe gebe ich natürlich eine Rückmeldung.
Leider komme ich Nachwuchsbedingt nur wenig zum Testen, aber wenn ich es umgesetzt habe gebe ich natürlich eine Rückmeldung.
- 27 Sep 2024 09:18
- Forum: Sprinter 2 (NCV3) & VW Crafter 1
- Thema: Zuziehhilfe für Schiebetür nachrüsten?
- Antworten: 38
- Zugriffe: 24081
Re: Zuziehhilfe für Schiebetür nachrüsten?
In die Richtung Türkontakt hatte ich mir auch schon Gedanken gemacht. An sich gibt es im normalen Schloss der Tür ein Schalter, welcher den aktuellen Zustand der Schiebetür (Position 1 (geschlossen) / Position 2 (angelehnt / offen) detektieren. Sowie zusätzlich einen Schalter der den ...
- 26 Sep 2024 09:28
- Forum: Sprinter 2 (NCV3) & VW Crafter 1
- Thema: Anzeige der Öltemperatur (Scangauge,...) - welches Tool kann das?
- Antworten: 48
- Zugriffe: 13807
Re: Anzeige der Öltemperatur (Scangauge,...) - welches Tool kann das?
Ich möchte auch, gerade weil unser dicker ein ordentlichen Wohnwagen zerrt, gerne mehr über Temperaturen des Motors wissen.
ich tendiere fast zu
https://www.canchecked.de/mfd15-gen2-52mm-can-bus-anzeige/
Kostet zwar ordentlich, aber ersetzt fast den Diagnosetester...und man kann sich anzeigen ...
- 26 Sep 2024 09:23
- Forum: Sprinter 2 (NCV3) & VW Crafter 1
- Thema: Kompressor auf Beifahrerseite im Motorraum
- Antworten: 45
- Zugriffe: 9924
Re: Kompressor auf Beifahrerseite im Motorraum
Bei mir ist ein Kompressor in der Trittstufe auf der Beifahrerseite verbaut. Dort gibt es bei geöffneter Tür ein Klappe zu einem Fach. Dieses Fach gibt es wohl in zwei Ausführungen, für Kompressor und als normale Ablage.
- 25 Sep 2024 15:34
- Forum: Sprinter 2 (NCV3) & VW Crafter 1
- Thema: Zuziehhilfe für Schiebetür nachrüsten?
- Antworten: 38
- Zugriffe: 24081
Re: Zuziehhilfe für Schiebetür nachrüsten?
Hier noch ein Foto von der C-Säule mit der Prägung. Diese sollte man aber auf keinen Fall vollständig ausschneiden, da sie recht nach an den Verstärkungsblechen dahinter verläuft.
Man kann ca. 1cm an allen Seiten Platz lassen und bekommt den Servobügel dennoch entspannt an Ort und Stelle.
IMG ...
Man kann ca. 1cm an allen Seiten Platz lassen und bekommt den Servobügel dennoch entspannt an Ort und Stelle.
IMG ...
- 25 Sep 2024 14:56
- Forum: Sprinter 2 (NCV3) & VW Crafter 1
- Thema: Zuziehhilfe für Schiebetür nachrüsten?
- Antworten: 38
- Zugriffe: 24081
Re: Zuziehhilfe für Schiebetür nachrüsten?
Ich hol den Thread mal aus den Tiefen des Forums hervor um nicht einen Neuen aufzumachen...
Ich habe mich auch mit dem Thema Nachrüstung Zuziehilfe auseinandergesetzt, da mich das schwere Zuziehen der Schiebetür von innen immer ein wenig gestört hat.
Hier liegt es bei uns primär an einem voll ...
Ich habe mich auch mit dem Thema Nachrüstung Zuziehilfe auseinandergesetzt, da mich das schwere Zuziehen der Schiebetür von innen immer ein wenig gestört hat.
Hier liegt es bei uns primär an einem voll ...
- 23 Aug 2024 12:03
- Forum: Reisemobile und Ausbauten
- Thema: Bodenaufbau unkonventionell
- Antworten: 78
- Zugriffe: 46858
Re: Bodenaufbau unkonventionell
Genau so haben wir es bei uns auch gemacht, allerdings mit einem Heißdraht. Einfach eine Gitarrensaite bestromt und es kann losgehen...
- 22 Mai 2024 14:25
- Forum: Sprinter 2 (NCV3) & VW Crafter 1
- Thema: OM651 - P025218 Mengenregelventil
- Antworten: 3
- Zugriffe: 3921
Re: OM651 - P025218 Mengenregelventil
Danke für den Hinweis mit den 4 bar, dass werde ich mir mal anschauen.
Daraus ergeben sich für mich die folgenden nächsten Schritte:
- Kraftstoffdruck vor Hochdruckpumpe anschauen (Ziel ca. 4bar)
- Prüfung des Raildrucks, während des Fehlerzustands - ich nenne es mal "pulsierender Leerlauf"
- Tank ...
Daraus ergeben sich für mich die folgenden nächsten Schritte:
- Kraftstoffdruck vor Hochdruckpumpe anschauen (Ziel ca. 4bar)
- Prüfung des Raildrucks, während des Fehlerzustands - ich nenne es mal "pulsierender Leerlauf"
- Tank ...







