Zuziehhilfe für Schiebetür nachrüsten?

Mercedes Sprinter 2 (Typ NCV3, Baumuster W906) & VW Crafter 1 - ab 2006 bis 2017 bzw. 2018
woffie
Ist öfters hier
Ist öfters hier
Beiträge: 41
Registriert: 19 Nov 2007 12:43
Wohnort: köln

Zuziehhilfe für Schiebetür nachrüsten?

#1 

Beitrag von woffie »

 Themenstarter

Hallo Sprinter-Freaks,
als ich meinen NCV3-Reisekasten im Frühjahr 07 bestellte, war trotz vorheriger mündlicher Zusage und der Position auf der Preisliste noch nicht die inzwischen lieferbare el. Zuziehhilfe zu haben.
Irgendjemand hier im Forum hatte mal was von einer Nachrüstmöglichkeit geschrieben (nun bin ich allerdings zu blöd, das über die Suchfunktion wiederzufinden :evil: ), wenn auch teuer, wie ich mich zu erinnern glaube.
Die Kölner MB-Niederlassung sagte mir heute, das sei definitiv NICHT möglich.
Kann jemand was dazu sagen? Vielleicht gibt es ja auch irgendeine - möglichst preiswertere - Alternative, die Tür mit weniger Wumm zu schließen?
Ich will das nicht aus Komfortgründen haben! Meine Frau Tam hat aber nach ihren Rhizarthrose-Operationen an beiden Händen keine Kraft und bekommt die Tür nicht ohne Hilfe zu!

Bitte / Danke!

Gruß von Wolf aus Köln
Wolf mit CS-Rondo-Reisekasten 315 CDI, Bj.2007
Rollidriver
Fast schon Admin
Fast schon Admin
Beiträge: 1367
Registriert: 01 Feb 2005 00:00
Wohnort: WEN

#2 

Beitrag von Rollidriver »

Hallo Wollfie,

frage mal bei der Firma PARAVAN nach, die machen solche Nachrüstungen.

www.paravan.de

Unter Unternehmen weiter mit Kontakte findest Du Herrn Möritz, der ist Kompetent und kann Dich gut beraten.

Die können einen el. Schiebetürantrieb auch wenn nicht Original MB. bestimmt einbauen.

Bei mir haben sie einen elektrischen Hecktürantrieb mit Funkfernbedienung eingebaut und ich bin total zufrieden.
Grüße Rolli

315CDI, Kombi, PKW, Kurz, Flach, Automatik, PARAVAN - U mbau

Alles was du sagst, sollte wahr sein. Aber nicht alles was wahr ist, solltest du auch sagen.
woffie
Ist öfters hier
Ist öfters hier
Beiträge: 41
Registriert: 19 Nov 2007 12:43
Wohnort: köln

Fortsetzung: Nachrüstung Zuziehhilfe Schiebetür

#3 

Beitrag von woffie »

 Themenstarter

Tja, vor dem Datenbank-Crash hatte ich mich bei Rolli für den PARAVAN-Tipp schon bedankt und mit der Firma gesprochen. Angebot soll kommen (aber sicherlich jenseits von 2000 T-EURONEN), dann bekam ich telefonisch noch von anderer Seite die Empfehlung, die Schloß-Justierung zu verstellen.

Das lass ich sicherheitshalber besser bleiben, weil ich noch von unserem früheren Sprinter-JamesCook weiß, daß das etwas schwierig ist.
Folgerichtig hattest Du, Rennsprinter, auch davor gewarnt (DANKE!)
Wir werden es so machen, wie Du empfiehlst, wie ich es auch bisher oft praktiziert habe: ein Fenster oder Tür zunächst offenlassen, dann die Schiebetür ohne Kraftaufwand schließen.

Morgen geht es an die Donau usw. für 14 Tage!

Tschö aus Köln
Wolf
Wolf mit CS-Rondo-Reisekasten 315 CDI, Bj.2007
Toni PETER
Kennt sich schon aus
Kennt sich schon aus
Beiträge: 69
Registriert: 09 Sep 2013 20:49
Wohnort: Weststeiermark
Kontaktdaten:

Re: Zuziehhilfe für Schiebetür nachrüsten?

#4 

Beitrag von Toni PETER »

Servus!

Das "Ratsch bum" beim schließen der Schiebetüre ist am Abend für die Nachbarn eines Campingplatzes nicht immer angenehm. Deshalb möchte ich bei meinen Sprinter Baujahr 2011 so eine Zuziehilfe für die Schiebetüre nachrüsten.
Hat das von Euch schon jemals einer gemacht, bzw. eingebaut.
Interessieren tue ich mich nur für die Zuziehilfe, nicht für eine "elektrische Schiebetüre".
Der Song vom Tag: Wir fahren mit einem knallroten Autobus - Sprinter 316 eh klar.
Liebe Grüße Toni PETER
Benutzeravatar
Toolman
Wird so langsam nervig
Wird so langsam nervig
Beiträge: 734
Registriert: 12 Aug 2016 16:32
Wohnort: NÖ-Süd
Kontaktdaten:

Re: Zuziehhilfe für Schiebetür nachrüsten?

#5 

Beitrag von Toolman »

uff... so komplex wie die Mechanik da ist weiß ich ned ob das so einfach geht. Wir lieben unsere Zuziehhilfe, eben gerade auf Campingkplätzen.
cheers Martin!

2017 316 4x4
2023 Model Y
1980 Citroen Mehari
2021 Seat Mii electric
Toni PETER
Kennt sich schon aus
Kennt sich schon aus
Beiträge: 69
Registriert: 09 Sep 2013 20:49
Wohnort: Weststeiermark
Kontaktdaten:

Re: Zuziehhilfe für Schiebetür nachrüsten?

#6 

Beitrag von Toni PETER »

Servus Tollman!

Auch meine Nachbarn auf einen Campingplatz würden sie lieben.
Ist das wirklich so kompliziert?!
Für Ducato gibt es Nachrüstsätze.
Der Song vom Tag: Wir fahren mit einem knallroten Autobus - Sprinter 316 eh klar.
Liebe Grüße Toni PETER
Benutzeravatar
Toolman
Wird so langsam nervig
Wird so langsam nervig
Beiträge: 734
Registriert: 12 Aug 2016 16:32
Wohnort: NÖ-Süd
Kontaktdaten:

Re: Zuziehhilfe für Schiebetür nachrüsten?

#7 

Beitrag von Toolman »

hast du in der C-Säule einen Deckel vorm Schloßbügel? Die ganze Einheit ist dahinter verbaut.

Bild

Der Schloßbügel wird elektrisch verstellt.


Bild

Wie die Ansteuerung da funzt weiß ich allerdings nicht.
Folgende Benutzer bedankten sich beim Autor Toolman für den Beitrag (Insgesamt 4):
Toni PETER (26 Jul 2017 09:10), OutdoorSprinter (14 Sep 2017 11:44), winem (25 Sep 2024 15:23), der.harleyman (07 Okt 2024 22:35)
cheers Martin!

2017 316 4x4
2023 Model Y
1980 Citroen Mehari
2021 Seat Mii electric
winem
Kennt sich schon aus
Kennt sich schon aus
Beiträge: 65
Registriert: 24 Nov 2020 22:35

Re: Zuziehhilfe für Schiebetür nachrüsten?

#8 

Beitrag von winem »

Ich hol den Thread mal aus den Tiefen des Forums hervor um nicht einen Neuen aufzumachen...

Ich habe mich auch mit dem Thema Nachrüstung Zuziehilfe auseinandergesetzt, da mich das schwere Zuziehen der Schiebetür von innen immer ein wenig gestört hat.
Hier liegt es bei uns primär an einem voll ausgebauten Sprinter, bei dem die Entlüftungsklappen teilweise verbaut sind und das Bett den Luftstrom zusätzlich dämpft.

Folgende Infos findet man ja zu dem System:
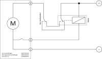
- Das Zusiehsystem besteht an sich aus vier Hauptkomponenten und einem geänderten Kabelsatz in der Schiebetür
- Servoschließbügel in C-Säule
- Türsteuergerät
- Türschloss in Schiebetür OBEN
- Aktor für Türschloss Schiebetür OBEN

An sich registriert das "normale" Türschloss in der Schiebetür, dass die Tür offen ist und meldet dies an das Türsteuergerät, welches dann den Servoschließbügel nach außen fährt.
Wenn nun die das Türschloss erkennt, dass die Tür in den Schließbügel einrastet, steuert sie über das Türsteuergerät die beiden Aktoren an (Schließbügel & Aktor für Türschloss oben).
Daraufhin wird der Servobügel eingefahren und das obere Türschloss über einen Bowdenzug verschlossen.
Bei erneutem Öffnen fahren beide Aktoren wieder in die geöffnete Stellung.
(Bei dem Öffnen bin ich mir nicht zu 100% sicher wann das Öffnen der Schließbügel/Aktor im Normalfall genau passiert)

Da es für mich primär um das Zuziehen der Tür ging bis die Dichtungen ringherum schließen, habe ich mich in erster Linie um den Servoschließbügel gekümmert, da dieser die Hauptarbeit übernimmt.
In diversen Schaltplänen sieht man, dass der Schließbügel mit 3 Pins angesteuert wird.
- Pin 1: Fahrzeugmasse
- Pin 2: Schalter der während des Zuziehens zur Fahrzeugmasse geschlossen ist und beim Öffnen geöffnet ist
- Pin 3: 12V

Mit einer einfachen Wechselschaltung (1x Relais und 1x Wechselschalter, siehe Anhang) kann man durch einen Knopfdruck den Schließbügel ausfahren lassen bzw. beim erneuten drücken einfahren lassen.
Dadurch hat man zwar die Automatisierung des Originalsystems nicht, aber von innen kann man manuell die Schiebetür nach einfachen Zuschieben einfahren lassen, sodass die Dichtung ringerherum schließt.
Vor der Benutzung muss man daher en Wechselschalter betätigen, um den Schließbügel ausfahren zu lassen. Dann lässt man die Schiebetür langsam zugleiten, bis das Schloss vollständig einrastet. Anschließend lässt man den Schlossbügel zufahren und die Schiebetür schließt sich bis zum Gewohnten Punkt.

Zum Einbau:
Die C-Säulen haben, wie in den vorangegangenen Bildern, die Entsprechende Öffnung nicht, jedoch ist eine entsprechende Prägung vorhanden. Entlang dieser Prägung wird eine etwas kleinere Öffnung in die C-Säule geschnitten, um den Schließbügel zu montieren.
Für die werkseitigen starren Bügel befindet sich im Inneren eine bewegliche Platte mit zwei Gewindehülsen (zweites Bild bzw. blaue Markierung im dritten Bild). Diese wird entfernt und nun kann der Servoschließbügel A9067600108 montiert werden. Dazu benötigt man noch eine Montageplatte A9067660219 und zwei Schrauben A1409840529.

Mit ein wenig Glück findet man bei den einschlägigen Gebrauchtmärkten ein Schließbügel wo die Montageplatte, Schrauben und das Anschlusskabel schon mit dabei sind.

Ich hoffe ich komme die Tage noch dazu ein paar Fotos im eingebauten Zustand zu machen.
Ansteuerung manuelle Zuziehhilfe
Ansteuerung manuelle Zuziehhilfe
Blick von außen auf die C-Säule bei demontierten starren Schlossbügel
Blick von außen auf die C-Säule bei demontierten starren Schlossbügel
C-Säule von Innen mit beweglichen Gewindehülsen
C-Säule von Innen mit beweglichen Gewindehülsen
Folgende Benutzer bedankten sich beim Autor winem für den Beitrag (Insgesamt 5):
f54 (25 Sep 2024 15:10), Mopedfahrer (25 Sep 2024 18:03), Exitus (25 Sep 2024 22:25), Opa_R (27 Sep 2024 19:55), der.harleyman (07 Okt 2024 22:38)
Mercedes Sprinter 213 CDI (906.613) 2009 - L2H2
winem
Kennt sich schon aus
Kennt sich schon aus
Beiträge: 65
Registriert: 24 Nov 2020 22:35

Re: Zuziehhilfe für Schiebetür nachrüsten?

#9 

Beitrag von winem »

Hier noch ein Foto von der C-Säule mit der Prägung. Diese sollte man aber auf keinen Fall vollständig ausschneiden, da sie recht nach an den Verstärkungsblechen dahinter verläuft.
Man kann ca. 1cm an allen Seiten Platz lassen und bekommt den Servobügel dennoch entspannt an Ort und Stelle.

Sprinter C-Säule innen
Sprinter C-Säule innen
Folgende Benutzer bedankten sich beim Autor winem für den Beitrag (Insgesamt 4):
Mopedfahrer (25 Sep 2024 18:03), Exitus (25 Sep 2024 22:25), der.harleyman (07 Okt 2024 22:38), Eck (12 Okt 2024 06:51)
Mercedes Sprinter 213 CDI (906.613) 2009 - L2H2
mroehner
Ganz neu hier
Ganz neu hier
Beiträge: 2
Registriert: 27 Sep 2024 08:33

Re: Zuziehhilfe für Schiebetür nachrüsten?

#10 

Beitrag von mroehner »

Den Ansatz finde ich gut, da bin ich direkt geneigt, das nachzumachen :) Eine Idee für das Auslösen der Wechselschaltung könnte ein Türkontakt sein, ggf. einen Zusätzlichen ebenfalls in die C Säule verbauen. Beim Ziehen des Griffs müsste die Türe ja dann ein klein wenig öffnen, was dann wiederum den Impuls an den Wechselschalter liefert. Könnte auch sein, dass dafür die B-Säule dann der bessere Einbaupunkt ist ?
Vielleicht kann man sich ja auch an den "Originalen" Mikroschaltern von MB orientieren..
Folgende Benutzer bedankten sich beim Autor mroehner für den Beitrag:
winem (27 Sep 2024 09:14)
winem
Kennt sich schon aus
Kennt sich schon aus
Beiträge: 65
Registriert: 24 Nov 2020 22:35

Re: Zuziehhilfe für Schiebetür nachrüsten?

#11 

Beitrag von winem »

In die Richtung Türkontakt hatte ich mir auch schon Gedanken gemacht. An sich gibt es im normalen Schloss der Tür ein Schalter, welcher den aktuellen Zustand der Schiebetür (Position 1 (geschlossen) / Position 2 (angelehnt / offen) detektieren. Sowie zusätzlich einen Schalter der den Verrieglungszustand detektiert. Die Beiden Signale werden über den Leitungssatz der Energiekette zur B -Säule geleitet und könnten dort super abgegriffen werden. Dafür bedarf es dort sicherlich einer Auswertung, die dann aus den Schaltsignal des Schlosses den Servobügel entsprechend ansteuert.

Ich wollte im ersten Schritt erstmal die Mechanik hinbekommen und wurde im zweiten Schritt dann nach den Kontakten schauen.

(EDIT: Korrektur der Schalterbeschreibung)
Folgende Benutzer bedankten sich beim Autor winem für den Beitrag (Insgesamt 3):
Exitus (27 Sep 2024 09:42), Hähnchenholer (27 Sep 2024 09:54), der.harleyman (07 Okt 2024 22:40)
Mercedes Sprinter 213 CDI (906.613) 2009 - L2H2
winem
Kennt sich schon aus
Kennt sich schon aus
Beiträge: 65
Registriert: 24 Nov 2020 22:35

Re: Zuziehhilfe für Schiebetür nachrüsten?

#12 

Beitrag von winem »

Mit der folgenden Schaltung, sollte sogar eine Ansteuerung mittels Türkontakt möglich sein.
Leider komme ich Nachwuchsbedingt nur wenig zum Testen, aber wenn ich es umgesetzt habe gebe ich natürlich eine Rückmeldung.

Schaltung_Tuerkontakt.jpg
Mercedes Sprinter 213 CDI (906.613) 2009 - L2H2
mroehner
Ganz neu hier
Ganz neu hier
Beiträge: 2
Registriert: 27 Sep 2024 08:33

Re: Zuziehhilfe für Schiebetür nachrüsten?

#13 

Beitrag von mroehner »

Perfekt, ich habe auch mal ein paar Teile bestellt, komme aber auch nur bedingt zur Umsetzung. Hoffe der Winter lässt mir etwas Spielraum :)
cappulino
Fast schon Admin
Fast schon Admin
Beiträge: 1166
Registriert: 18 Okt 2014 20:47
Wohnort: die Lichtstadt an der Saale

Re: Zuziehhilfe für Schiebetür nachrüsten?

#14 

Beitrag von cappulino »

Ich habe mir einen normalen Schließkeil an die Schiebetür gemacht, läuft 1 cm oberhalb der Laufschiene mit nach hinten. Dieser fällt bei schließender Tür in ein Schloss, welches als Schiebetürsicherung funktioniert. Die Zuziehhilfe könnte man genauso mit einem Schließkeil an der Tür umsetzen, es braucht dann den Zug/Linearmotor der dort einhakt an der C-Säule. Hatte das schon mal mit einer Exzenterscheibe angedacht, oben an der Schiebetür ist noch ein Fanghaken und da könnte es sein das die Zuziehhilfe nicht ausreicht. Nur so als Idee... wünsche schönes Basteln! :D
Benutzeravatar
der.harleyman
Wohnt hier
Wohnt hier
Beiträge: 2596
Registriert: 28 Okt 2018 18:53

Re: Zuziehhilfe für Schiebetür nachrüsten?

#15 

Beitrag von der.harleyman »

cappulino hat geschrieben: 07 Okt 2024 20:57 Ich habe mir einen normalen Schließkeil an die Schiebetür gemacht, läuft 1 cm oberhalb der Laufschiene mit nach hinten. Dieser fällt bei schließender Tür in ein Schloss, welches als Schiebetürsicherung funktioniert. ...
Magst Du uns Fotos Deiner individuellen Lösung zeigen? :)
der harleyman
319CDI, 2016, L3H2, graphitgraumet., 450.000km, na und?! :)
Antworten