Klima Anlage hinten geht nicht

Mercedes Sprinter 2 (Typ NCV3, Baumuster W906) & VW Crafter 1 - ab 2006 bis 2017 bzw. 2018
Sick Ranches
Lernt noch alles kennen
Lernt noch alles kennen
Beiträge: 14
Registriert: 03 Apr 2019 08:24

Klima Anlage hinten geht nicht

#1 

Beitrag von Sick Ranches »

 Themenstarter

Hersteller: VW Crafter
Model: TDI 2.0, 136ps, Blue Motion, Kombi
Baujahr: 2012
Sonderausstattung: Vom Werk Klimaanlage auf dem Dach
km-Stand: 280 000

Moin,
meine Klimaanlage hinten geht nicht. Kein Lüfter, kein mucks. Überhaupt nix. Ich habe einen 9 sitzer Bus und die Hintere Klimaanlage geht nicht. Vorne ist alles fein.
Ich dachte ich suche mal das Relais dafür, aber finde es nicht. Es kommt hinten kein Strom an. Ja ich habe vorne alles richtig eingestellt.
Wo könnte das Relais sein oder gibt es noch was anderes was ich tun kann.
Danke leute
Dateianhänge
Das ist die Dach klima
Das ist die Dach klima
So sieht es unter dem Sitz aus
So sieht es unter dem Sitz aus
Zuletzt geändert von Sick Ranches am 15 Jun 2021 11:19, insgesamt 1-mal geändert.
Benutzeravatar
Exilaltbier
Wohnt hier
Wohnt hier
Beiträge: 4175
Registriert: 07 Jan 2019 18:29

Re: Klima Anlage hinten geht nicht

#2 

Beitrag von Exilaltbier »

Auffüllen ? Sind doch m.E. zwei einzelne Anlagen.
Bild
1000 Meilen von Zuhaus sieht die Welt ganz anders aus....und ich bin der ausländische Gast.

CamperVan, 2014 Mopf, 216CDI, 7G+, L2H1, 2x4, 100L, 245/70/16 AT

Stete Skepsis wennmanim Netzis !
mandør
Wird so langsam nervig
Wird so langsam nervig
Beiträge: 601
Registriert: 06 Feb 2017 12:25

Re: Klima Anlage hinten geht nicht

#3 

Beitrag von mandør »

Hat die denn jemals funktioniert?
Anders gefragt: Ist denn sichergestellt, dass es wirklich eine Klimaanlage ist, oder vielleicht nur Heizung?
Crafter 35 Bitd Aut 4Mo Sperre L3H2. 2020. Geseikelt.
Sick Ranches
Lernt noch alles kennen
Lernt noch alles kennen
Beiträge: 14
Registriert: 03 Apr 2019 08:24

Re: Klima Anlage hinten geht nicht

#4 

Beitrag von Sick Ranches »

 Themenstarter

Exilaltbier hat geschrieben: 15 Jun 2021 10:52 Auffüllen ? Sind doch m.E. zwei einzelne Anlagen.
müsste dann nicht wenigstens der Lüfter gehen?
Sick Ranches
Lernt noch alles kennen
Lernt noch alles kennen
Beiträge: 14
Registriert: 03 Apr 2019 08:24

Re: Klima Anlage hinten geht nicht

#5 

Beitrag von Sick Ranches »

 Themenstarter

mandør hat geschrieben: 15 Jun 2021 11:14 Hat die denn jemals funktioniert?
Anders gefragt: Ist denn sichergestellt, dass es wirklich eine Klimaanlage ist, oder vielleicht nur Heizung?
soll angeblich beides sein, heizung und klima. kommt aber nix raus und kein lüfter. hat bei mir leider noch nicht funtioniert und ich habe beim kauf nicht darauf geachtet.
mandør
Wird so langsam nervig
Wird so langsam nervig
Beiträge: 601
Registriert: 06 Feb 2017 12:25

Re: Klima Anlage hinten geht nicht

#6 

Beitrag von mandør »

ich würde erstmal die Haube abnehmen um Klarheit zu schaffen.
Eventuell ist ja auf dem Dach auch noch eine Sicherung verbaut..
Crafter 35 Bitd Aut 4Mo Sperre L3H2. 2020. Geseikelt.
Benutzeravatar
Vanagaudi
Wohnt hier
Wohnt hier
Beiträge: 7693
Registriert: 18 Mai 2013 15:34
Wohnort: Schlootkuhlen

Galerie

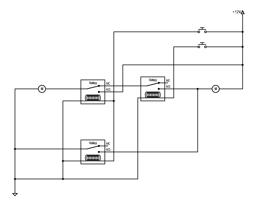
906: Relais Kondensatorlüfter Dachklimaanlage

#7 

Beitrag von Vanagaudi »

Relais Kondensatorlüfter Dachklimaanlage K9/5

Anodnung
Das Relais Zusatzlüfter Dach ist in der Umlufteinheit Klimaautomatik verstärkt Fond links neben den beiden Zusatzlüftern Klima Dach auf dem Dach des Fahrzeugs angeordnet.

Aufgabe
Je nach Ansteuerung durch das Steuer- und Bediengerät KLA (S98) schaltet das Relais Zusatzlüfter Dach die beiden Zusatzlüfter Klima Dach in eine Reihenschaltung oder in eine Parallelschaltung.

Aufbau
Anstatt vieler Worte ein Ersatzschaltbild:
.
Seriell-Parallel-Umschaltung
Seriell-Parallel-Umschaltung
S-P-Umschaltung.png (11.69 KiB) 4898 mal betrachtet
.

Pinout K9/5

Code: Alles auswählen

Steckerbelegung K9/5 Relais Zusatzlüfter Dach

Pin01   4,00  rt    Z5/7 Endhülse Kl.30 Klimalüfter Dach; Sicherung F69 50A Kl.30
Pin02  10,00  br    Z5/8 Endhülse Kl.31 Klimalüfter Dach; Masse W38
Pin03   4,00  br    M4/16 Zusatzlüfter Dachklimaanlage 1 Pin2
Pin04   frei
Pin05  10,00  rt    Z5/7 Endhülse Kl.30 Klimalüfter Dach; Sicherung F69 50A Kl.30
Pin06   0,75  br    Z5/8 Endhülse Kl.31 Klimalüfter Dach; Masse W38
Pin07   0,75  blws  S98 Steuer- und Bediengerät Klimaanlage SteckerC2 Pin09
Pin08   frei
Pin09   0,75  blvi  S98 Steuer- und Bediengerät Klimaanlage SteckerC2 Pin10
Zuletzt geändert von Vanagaudi am 15 Jun 2021 13:09, insgesamt 3-mal geändert.
Folgende Benutzer bedankten sich beim Autor Vanagaudi für den Beitrag:
Crafter277 (15 Jun 2021 17:50)
Für (Folge-) Schäden aller Art übernehme ich keine Haftung. Alle einschlägigen (Sicherheits-) Vorschriften sind zu beachten. Im Zweifelsfalle grundsätzlich einen Fachmann fragen bzw. die Arbeiten von einer Fachfirma ausführen lassen.
Sick Ranches
Lernt noch alles kennen
Lernt noch alles kennen
Beiträge: 14
Registriert: 03 Apr 2019 08:24

Re: Klima Anlage hinten geht nicht

#8 

Beitrag von Sick Ranches »

 Themenstarter

mandør hat geschrieben: 15 Jun 2021 11:28 ich würde erstmal die Haube abnehmen um Klarheit zu schaffen.
Eventuell ist ja auf dem Dach auch noch eine Sicherung verbaut..
Habe ich auch gedacht, aber es kommt ja auch nix an strom an, also vorher schon. habe ich gemessen.
Benutzeravatar
Vanagaudi
Wohnt hier
Wohnt hier
Beiträge: 7693
Registriert: 18 Mai 2013 15:34
Wohnort: Schlootkuhlen

Galerie

Re: Klima Anlage hinten geht nicht

#9 

Beitrag von Vanagaudi »

Sick Ranches hat geschrieben: 15 Jun 2021 11:38
mandør hat geschrieben: 15 Jun 2021 11:28 ich würde erstmal die Haube abnehmen um Klarheit zu schaffen.
Eventuell ist ja auf dem Dach auch noch eine Sicherung verbaut..
Habe ich auch gedacht, aber es kommt ja auch nix an strom an, also vorher schon. habe ich gemessen.
Hast du Sicherung F69 50A Kl.30 abgecheckt?
Für (Folge-) Schäden aller Art übernehme ich keine Haftung. Alle einschlägigen (Sicherheits-) Vorschriften sind zu beachten. Im Zweifelsfalle grundsätzlich einen Fachmann fragen bzw. die Arbeiten von einer Fachfirma ausführen lassen.
Sick Ranches
Lernt noch alles kennen
Lernt noch alles kennen
Beiträge: 14
Registriert: 03 Apr 2019 08:24

Re: Klima Anlage hinten geht nicht

#10 

Beitrag von Sick Ranches »

 Themenstarter

Vanagaudi hat geschrieben: 15 Jun 2021 11:39
Sick Ranches hat geschrieben: 15 Jun 2021 11:38
mandør hat geschrieben: 15 Jun 2021 11:28 ich würde erstmal die Haube abnehmen um Klarheit zu schaffen.
Eventuell ist ja auf dem Dach auch noch eine Sicherung verbaut..
Habe ich auch gedacht, aber es kommt ja auch nix an strom an, also vorher schon. habe ich gemessen.
Hast du Sicherung F69 50A Kl.30 abgecheckt?
Müsste ich gleich mal schauen, welche das ist. aber igrendeine zuständige im seitlichen Fahrersitz habe ich gechekt. wobei da eine 5er sicherung drin war, welche aber nicht durchgeschmort war. aber auch der wechsel dieser hat nix gebracht.
f54
Fast schon Admin
Fast schon Admin
Beiträge: 1290
Registriert: 06 Jun 2019 09:06

Re: Klima Anlage hinten geht nicht

#11 

Beitrag von f54 »

Sick Ranches hat geschrieben: 15 Jun 2021 11:17
mandør hat geschrieben: 15 Jun 2021 11:14 Hat die denn jemals funktioniert?
Anders gefragt: Ist denn sichergestellt, dass es wirklich eine Klimaanlage ist, oder vielleicht nur Heizung?
soll angeblich beides sein, heizung und klima. kommt aber nix raus und kein lüfter. hat bei mir leider noch nicht funtioniert und ich habe beim kauf nicht darauf geachtet.
aus den lüftungsdüsen am dach kommt nur kalte luft. unter der haube sitzt ein 2. verdampfer mit gebläse. das system hängt am klimakreislauf des fahrzeuges. und funktioniert temperatur abhängig.
die heizfunktion wird über einen zusatzwärmetauscher mit gebläse zwischen b und c säule links am boden abgebildet.

die temperatureinstellung vorn bestimmt ob die dachklima kalte luft ausströmen lässt oder die heizung unten losbollert. klimaregler steht auf volle pulle rechts?

wenn du den plastiktritt beim fahrer entfernst siehst du auch ein dickes rotes kabel aus der fahrersitzkisten rauskommen wass dann über die b säulenverkleidung links nach oben wandert. das kabel hat eine steckverbindung. ist die ok? nix korrodiert? steht da das wasser drin rostet dein einstieg gut und die steckverberding liegt irgendwann im wasser. have a look.
2015 W906 316 4x4 Kombi L2H1 ZG3 5G mit einmal alles + 245/75R16 (BFG AT), HA: 4,182, Lazer LED

Biete: fast komplette Dachklima für den 906
Suche: DPF-ReGen-Box A9069000503 viewtopic.php?t=17974&start=60#p183713
f54
Fast schon Admin
Fast schon Admin
Beiträge: 1290
Registriert: 06 Jun 2019 09:06

Re: 906: Relais Kondensatorlüfter Dachklimaanlage

#12 

Beitrag von f54 »

Vanagaudi hat geschrieben: 15 Jun 2021 11:30 Relais Kondensatorlüfter Dachklimaanlage K9/5

Anodnung
Das Relais Zusatzlüfter Dach ist in der Umlufteinheit Klimaautomatik verstärkt Fond links neben den beiden Zusatzlüftern Klima Dach auf dem Dach des Fahrzeugs angeordnet.

Aufgabe
Je nach Ansteuerung durch das Steuer- und Bediengerät KLA (S98) schaltet das Relais Zusatzlüfter Dach die beiden Zusatzlüfter Klima Dach in eine Reihenschaltung oder in eine Parallelschaltung.

Aufbau
Anstatt vieler Worte ein Ersatzschaltbild:
.
S-P-Umschaltung.png
.

Pinout K9/5

Code: Alles auswählen

Steckerbelegung K9/5 Relais Zusatzlüfter Dach

Pin01   4,00  rt    Z5/7 Endhülse Kl.30 Klimalüfter Dach; Sicherung F69 50A Kl.30
Pin02  10,00  br    Z5/8 Endhülse Kl.31 Klimalüfter Dach; Masse W38
Pin03   4,00  br    M4/16 Zusatzlüfter Dachklimaanlage 1 Pin2
Pin04   frei
Pin05  10,00  rt    Z5/7 Endhülse Kl.30 Klimalüfter Dach; Sicherung F69 50A Kl.30
Pin06   0,75  br    Z5/8 Endhülse Kl.31 Klimalüfter Dach; Masse W38
Pin07   0,75  blws  S98 Steuer- und Bediengerät Klimaanlage SteckerC2 Pin09
Pin08   frei
Pin09   0,75  blvi  S98 Steuer- und Bediengerät Klimaanlage SteckerC2 Pin10
ist das die verstärkte/hochleistungsklima? auf dem crafter ist die kleine verbaut.
2015 W906 316 4x4 Kombi L2H1 ZG3 5G mit einmal alles + 245/75R16 (BFG AT), HA: 4,182, Lazer LED

Biete: fast komplette Dachklima für den 906
Suche: DPF-ReGen-Box A9069000503 viewtopic.php?t=17974&start=60#p183713
f54
Fast schon Admin
Fast schon Admin
Beiträge: 1290
Registriert: 06 Jun 2019 09:06

Re: Klima Anlage hinten geht nicht

#13 

Beitrag von f54 »

unter der haube ist kein relais verbaut. wenn dann ist dies unter der verkleidung innen im bereich des luftfilters.
2015 W906 316 4x4 Kombi L2H1 ZG3 5G mit einmal alles + 245/75R16 (BFG AT), HA: 4,182, Lazer LED

Biete: fast komplette Dachklima für den 906
Suche: DPF-ReGen-Box A9069000503 viewtopic.php?t=17974&start=60#p183713
Sick Ranches
Lernt noch alles kennen
Lernt noch alles kennen
Beiträge: 14
Registriert: 03 Apr 2019 08:24

Re: Klima Anlage hinten geht nicht

#14 

Beitrag von Sick Ranches »

 Themenstarter

f54 hat geschrieben: 15 Jun 2021 13:34
Sick Ranches hat geschrieben: 15 Jun 2021 11:17
mandør hat geschrieben: 15 Jun 2021 11:14 Hat die denn jemals funktioniert?
Anders gefragt: Ist denn sichergestellt, dass es wirklich eine Klimaanlage ist, oder vielleicht nur Heizung?
soll angeblich beides sein, heizung und klima. kommt aber nix raus und kein lüfter. hat bei mir leider noch nicht funtioniert und ich habe beim kauf nicht darauf geachtet.
aus den lüftungsdüsen am dach kommt nur kalte luft. unter der haube sitzt ein 2. verdampfer mit gebläse. das system hängt am klimakreislauf des fahrzeuges. und funktioniert temperatur abhängig.
die heizfunktion wird über einen zusatzwärmetauscher mit gebläse zwischen b und c säule links am boden abgebildet.

Zwischen b und c Säule ist nix, bei mir kommt nur ein Hauch(auch wenn es volle pulle ist) zwischen dem Fahrer und Beifahrer undten am boden was raus.
f54 hat geschrieben: 15 Jun 2021 13:34 die temperatureinstellung vorn bestimmt ob die dachklima kalte luft ausströmen lässt oder die heizung unten losbollert. klimaregler steht auf volle pulle rechts?
Wenn der Klima regler das WARM/KALT rad ist, beides hat keine wirkung :)
f54 hat geschrieben: 15 Jun 2021 13:34 wenn du den plastiktritt beim fahrer entfernst siehst du auch ein dickes rotes kabel aus der fahrersitzkisten rauskommen wass dann über die b säulenverkleidung links nach oben wandert. das kabel hat eine steckverbindung. ist die ok? nix korrodiert? steht da das wasser drin rostet dein einstieg gut und die steckverberding liegt irgendwann im wasser. have a look.
Das letzte werde ich auch ma checken
Benutzeravatar
Vanagaudi
Wohnt hier
Wohnt hier
Beiträge: 7693
Registriert: 18 Mai 2013 15:34
Wohnort: Schlootkuhlen

Galerie

Re: 906: Relais Kondensatorlüfter Dachklimaanlage

#15 

Beitrag von Vanagaudi »

f54 hat geschrieben: 15 Jun 2021 13:35 ist das die verstärkte/hochleistungsklima? auf dem crafter ist die kleine verbaut.
Richtig. Das Relais K9/5 kommt auch nur in der Hochleistungs-Dachklimaanlage vor. In der Dachklima mit einem Lüftermotor heißt das Relais K9/2.
Folgende Benutzer bedankten sich beim Autor Vanagaudi für den Beitrag:
Crafter277 (15 Jun 2021 17:51)
Für (Folge-) Schäden aller Art übernehme ich keine Haftung. Alle einschlägigen (Sicherheits-) Vorschriften sind zu beachten. Im Zweifelsfalle grundsätzlich einen Fachmann fragen bzw. die Arbeiten von einer Fachfirma ausführen lassen.
Antworten