Nachrüstung Warmwasser
- sprinteratw
- Stammgast

- Beiträge: 227
- Registriert: 06 Feb 2013 17:05
- Wohnort: 81929 München
- Galerie
Nachrüstung Warmwasser
Nachrüstung Warmwasser
Ich habe mal wieder eine Frage und würde gerne eure Meinung zum Thema Warmwasseraufbereitung haben:
Ich habe in meinem Fahrzeug ein Druckwassersystem installiert, allerdings bislang nur mit Kaltwasser. Der Vorbesitzer hat die Leitungen für Warmwasser aber bereits installiert und ich würde diese in Zukunft gerne nutzen. Ich hatte an einen reinen Elektroboiler gedacht den ich entweder mit 12 oder 230V betreibe. Vom Volumen her soll dieser nicht größer als 5-10 Liter sein, das reicht mir. Einen Gasboiler möchte ich nicht, aber ich denke gerade darüber nach, einen Boiler mit Wärmetauscher für das Kühlwasser einzusetzen. Ich habe nur Bedenken das Kühlwassersystem des Sprinters für diese Zwecke anzuzapfen. Was meint ihr dazu? Ohne Risiko möglich? Man soll ja den Primärkreislauf nutzen. Oder lieber die Finger von lassen? Gibt es geeignete Stellen zum Abzapfen?
Was meiner Meinung nach gegen einen reinen elektrischen Boiler spricht ist die lange Aufheizzeit. Die Modelle mit 500 Watt benötigen immer noch so 30-35 Minuten zum Aufheizen auf 55 Grad. Wollte eigentlich während dieser Phase den Motor laufen lassen um die Batterien nicht zu sehr zu belasten oder zu entladen, aber das finde ich dann für 3 Minuten Duschen doch zu lange.
Habt ihr noch andere Vorschläge?
Vielen, vielen Dank
Ich habe mal wieder eine Frage und würde gerne eure Meinung zum Thema Warmwasseraufbereitung haben:
Ich habe in meinem Fahrzeug ein Druckwassersystem installiert, allerdings bislang nur mit Kaltwasser. Der Vorbesitzer hat die Leitungen für Warmwasser aber bereits installiert und ich würde diese in Zukunft gerne nutzen. Ich hatte an einen reinen Elektroboiler gedacht den ich entweder mit 12 oder 230V betreibe. Vom Volumen her soll dieser nicht größer als 5-10 Liter sein, das reicht mir. Einen Gasboiler möchte ich nicht, aber ich denke gerade darüber nach, einen Boiler mit Wärmetauscher für das Kühlwasser einzusetzen. Ich habe nur Bedenken das Kühlwassersystem des Sprinters für diese Zwecke anzuzapfen. Was meint ihr dazu? Ohne Risiko möglich? Man soll ja den Primärkreislauf nutzen. Oder lieber die Finger von lassen? Gibt es geeignete Stellen zum Abzapfen?
Was meiner Meinung nach gegen einen reinen elektrischen Boiler spricht ist die lange Aufheizzeit. Die Modelle mit 500 Watt benötigen immer noch so 30-35 Minuten zum Aufheizen auf 55 Grad. Wollte eigentlich während dieser Phase den Motor laufen lassen um die Batterien nicht zu sehr zu belasten oder zu entladen, aber das finde ich dann für 3 Minuten Duschen doch zu lange.
Habt ihr noch andere Vorschläge?
Vielen, vielen Dank
Sprinter 312D, mittlere Radstand,4x4 Iglhaut-Umbau, Bj 1998
Zur Zeit unterwegs auf Weltreise: http://www.theworldisourbackyard.blogspot.de
Kopfhalterung für Kleinkinder auf dem Fahrradsitz: http://www.head-rest.com
Zur Zeit unterwegs auf Weltreise: http://www.theworldisourbackyard.blogspot.de
Kopfhalterung für Kleinkinder auf dem Fahrradsitz: http://www.head-rest.com
Re: Nachrüstung Warmwasser
Hallo,
ich habe mir beim Kauf mitbestellt den Anschluss, den MB für die Kasten/Busheizung anbietet. Von da aus gehen 2 isolierte Schlauchleitungen zum Boiler (Vorlauf/Rücklauf). Dadurch kann ich auch im Stand mit dem Zuheizer meinen Boiler übers Kühlwasser heizen. Mein Boiler kann auch elektrisch, aber nur über 220V, zieht 600W.
Das Ganze läuft seit 2009 super. Vorallem, ob die Motorabwärme beim Fahren mir heißes Wasser macht oder nur durch den Kühler geht..., da ist mir meine Lösung lieber.
Grüße
ich habe mir beim Kauf mitbestellt den Anschluss, den MB für die Kasten/Busheizung anbietet. Von da aus gehen 2 isolierte Schlauchleitungen zum Boiler (Vorlauf/Rücklauf). Dadurch kann ich auch im Stand mit dem Zuheizer meinen Boiler übers Kühlwasser heizen. Mein Boiler kann auch elektrisch, aber nur über 220V, zieht 600W.
Das Ganze läuft seit 2009 super. Vorallem, ob die Motorabwärme beim Fahren mir heißes Wasser macht oder nur durch den Kühler geht..., da ist mir meine Lösung lieber.
Grüße
-.-.-.-.-.-.-.-.-.-.-.-
1000 Meilen von zu Haus sieht die Welt ganz anders aus..
1000 Meilen von zu Haus sieht die Welt ganz anders aus..
- sprinteratw
- Stammgast

- Beiträge: 227
- Registriert: 06 Feb 2013 17:05
- Wohnort: 81929 München
- Galerie
Re: Nachrüstung Warmwasser
Hallo Reisender,
was für einen Sprinter fährt du denn?
Wo befindet sich denn dieser ominöse Kasten? Müsste dann doch auch im primären Kühlkreislauf befinden, oder?
was für einen Sprinter fährt du denn?
Wo befindet sich denn dieser ominöse Kasten? Müsste dann doch auch im primären Kühlkreislauf befinden, oder?
Sprinter 312D, mittlere Radstand,4x4 Iglhaut-Umbau, Bj 1998
Zur Zeit unterwegs auf Weltreise: http://www.theworldisourbackyard.blogspot.de
Kopfhalterung für Kleinkinder auf dem Fahrradsitz: http://www.head-rest.com
Zur Zeit unterwegs auf Weltreise: http://www.theworldisourbackyard.blogspot.de
Kopfhalterung für Kleinkinder auf dem Fahrradsitz: http://www.head-rest.com
Re: Nachrüstung Warmwasser
Hallo,
ich habe ab Werk die Vorrüstung zusätzlicher Wärmetauscher bestellt. Da werden die Anschlussleitungen bis kurz hinter die B-Säule gelegt.
Als Boiler habe ich den Elgena 15l. Dieser hat einen Wärmetauscher eingebaut und 220V Spirale drin. Er liegt inzwischen da, muss ich nur noch einbauen
Ich habe aber auch angedacht noch bei der Zuleitung im Innenbereich einen zus. Luft Wärmtauscher einzubauen. Somit könnte man im Aufbau schneller aufheizen
ich habe ab Werk die Vorrüstung zusätzlicher Wärmetauscher bestellt. Da werden die Anschlussleitungen bis kurz hinter die B-Säule gelegt.
Als Boiler habe ich den Elgena 15l. Dieser hat einen Wärmetauscher eingebaut und 220V Spirale drin. Er liegt inzwischen da, muss ich nur noch einbauen
Ich habe aber auch angedacht noch bei der Zuleitung im Innenbereich einen zus. Luft Wärmtauscher einzubauen. Somit könnte man im Aufbau schneller aufheizen
inzwischen auf den großen Bruder - den Vario 818 Allrad umgestiegen
Re: Nachrüstung Warmwasser
Hallo sprinteratw,
wo.wo hat's ganz genau beschrieben, mir fehlten die technischen Bezeichnungen. Ich habe einen 30L Boiler eingebaut in meinen 518 4x4, langer Radstand, langer Überhang.
Grüße vom
Reisenden
wo.wo hat's ganz genau beschrieben, mir fehlten die technischen Bezeichnungen. Ich habe einen 30L Boiler eingebaut in meinen 518 4x4, langer Radstand, langer Überhang.
Grüße vom
Reisenden
-.-.-.-.-.-.-.-.-.-.-.-
1000 Meilen von zu Haus sieht die Welt ganz anders aus..
1000 Meilen von zu Haus sieht die Welt ganz anders aus..
- sprinteratw
- Stammgast

- Beiträge: 227
- Registriert: 06 Feb 2013 17:05
- Wohnort: 81929 München
- Galerie
Re: Nachrüstung Warmwasser
Hi noch mal,
Bin nach einigen Überlegungen wieder davon weg ein rein elektrisches System einzusetzen. Ggf. Kommt noch ein System mit Wärmetauscher in Frage + Elektroheizstab wenn ich extern Strom habe.
Habe jetzt aber darüber nachgedacht, eine Dieselwasserheizung einzusetzen. Eingebaut habe ich derzeit die D3Lc von Eberspächer. Damit kann ich nur kein Wasser erhitzen oder habt ihr eine Idee wie ich die umrüsten könnte? Ansonsten kommt eiegntlich nur eine neue in Frage die sowohl die Luft erhitzen kann wie auch einen Warmwassertank. Das Kühlwasser des Motors muss meiner Meinung nach nicht erwärmt werden. Würde gerne den original Kasten an der Unterseite des Fahrzeugs beibehalten. Hat irgendjemand eine ähnliche Konstellation bei sich im 903er Modell verbaut?
Darf natürlich auch ein Gerät von Webasto o.ä. sein...
Vielen Dank
Bin nach einigen Überlegungen wieder davon weg ein rein elektrisches System einzusetzen. Ggf. Kommt noch ein System mit Wärmetauscher in Frage + Elektroheizstab wenn ich extern Strom habe.
Habe jetzt aber darüber nachgedacht, eine Dieselwasserheizung einzusetzen. Eingebaut habe ich derzeit die D3Lc von Eberspächer. Damit kann ich nur kein Wasser erhitzen oder habt ihr eine Idee wie ich die umrüsten könnte? Ansonsten kommt eiegntlich nur eine neue in Frage die sowohl die Luft erhitzen kann wie auch einen Warmwassertank. Das Kühlwasser des Motors muss meiner Meinung nach nicht erwärmt werden. Würde gerne den original Kasten an der Unterseite des Fahrzeugs beibehalten. Hat irgendjemand eine ähnliche Konstellation bei sich im 903er Modell verbaut?
Darf natürlich auch ein Gerät von Webasto o.ä. sein...
Vielen Dank
Sprinter 312D, mittlere Radstand,4x4 Iglhaut-Umbau, Bj 1998
Zur Zeit unterwegs auf Weltreise: http://www.theworldisourbackyard.blogspot.de
Kopfhalterung für Kleinkinder auf dem Fahrradsitz: http://www.head-rest.com
Zur Zeit unterwegs auf Weltreise: http://www.theworldisourbackyard.blogspot.de
Kopfhalterung für Kleinkinder auf dem Fahrradsitz: http://www.head-rest.com
Re: Nachrüstung Warmwasser
Morgen sprinteratw.
Ich habe eine ähnliche Konfiguration wie die anderen: ich habe (im NCV3) einen Zusatzanschluß (=Vorrüstung für 2. Wärmetauscher) und habe daran dann einen 4kW Eberspächer Wasser-Luft Wärmetauscher für die Wohnkabine und den Wasserboiler (10l Elgena mit 200W 12V Heizung) direkt in den Kühlwasserkreis eingebunden. Das System läuft sehr gut und ohne Probleme während der Fahrt.
Für lange Standzeiten werde ich aber noch eine 2. Wasserheizung einbauen im Sommer. Im Moment kann ich im Stand 'nur' über die Standheizung der Fahrzeugs heizen und da ist die Heizzeit auf 1Stunde limitiert was für längere Wintertage einfach nichts ist. Man müßte die Heizung dann immer wieder einschalten (=vorglühen) und das ist ja keine wirklich schöne Lösung zumal es auch zu viel Energie kostet. Ansonsten kann man zum duschen im Sommer die Heizung ca. 20-30Minuten an machen, dann hat man genug Warmes Wasser.
Meine Idee ist es jetzt mit einer zweiten Heizung nur den Wärmetauscher und den Wasserboiler zu versorgen und nur wenn der 'Kabinen-Kreislauf' zu warm werden sollte via Thermostat in den Motorkreis zu gehen. Es soll so sein dass die Heizung möglichst lange durchläuft um das Vorglühen zu umgehen.
Ich denke Deine D3 reicht alle mal aus wenn Du Wasser und Heizen willst, zumal Euer Sprinter ja nicht soo groß ist. Wie man so ein System aber im 903 unterbekommen weis ich nicht. Ist die D3 eigentlich nachgerüstet oder Original drin?
Grüße & gute Reise
THOMAS135
Ich habe eine ähnliche Konfiguration wie die anderen: ich habe (im NCV3) einen Zusatzanschluß (=Vorrüstung für 2. Wärmetauscher) und habe daran dann einen 4kW Eberspächer Wasser-Luft Wärmetauscher für die Wohnkabine und den Wasserboiler (10l Elgena mit 200W 12V Heizung) direkt in den Kühlwasserkreis eingebunden. Das System läuft sehr gut und ohne Probleme während der Fahrt.
Für lange Standzeiten werde ich aber noch eine 2. Wasserheizung einbauen im Sommer. Im Moment kann ich im Stand 'nur' über die Standheizung der Fahrzeugs heizen und da ist die Heizzeit auf 1Stunde limitiert was für längere Wintertage einfach nichts ist. Man müßte die Heizung dann immer wieder einschalten (=vorglühen) und das ist ja keine wirklich schöne Lösung zumal es auch zu viel Energie kostet. Ansonsten kann man zum duschen im Sommer die Heizung ca. 20-30Minuten an machen, dann hat man genug Warmes Wasser.
Meine Idee ist es jetzt mit einer zweiten Heizung nur den Wärmetauscher und den Wasserboiler zu versorgen und nur wenn der 'Kabinen-Kreislauf' zu warm werden sollte via Thermostat in den Motorkreis zu gehen. Es soll so sein dass die Heizung möglichst lange durchläuft um das Vorglühen zu umgehen.
Ich denke Deine D3 reicht alle mal aus wenn Du Wasser und Heizen willst, zumal Euer Sprinter ja nicht soo groß ist. Wie man so ein System aber im 903 unterbekommen weis ich nicht. Ist die D3 eigentlich nachgerüstet oder Original drin?
Grüße & gute Reise
THOMAS135
- sprinteratw
- Stammgast

- Beiträge: 227
- Registriert: 06 Feb 2013 17:05
- Wohnort: 81929 München
- Galerie
Re: Nachrüstung Warmwasser
Hi Thomas,
Die D3LC ist eine reine Luftstandheizung und kann somit kein Wasser erhitzen. Bin aber über ein anderes Forum über die Truma Terme TT2 gestolpert die per Warmluft aus der Standheizung Wasser erhitzen kann. Hat irgendjemand solch ein Gerät im Einsatz?
Ach ja, die Standheizung war schon verbaut...
Die D3LC ist eine reine Luftstandheizung und kann somit kein Wasser erhitzen. Bin aber über ein anderes Forum über die Truma Terme TT2 gestolpert die per Warmluft aus der Standheizung Wasser erhitzen kann. Hat irgendjemand solch ein Gerät im Einsatz?
Ach ja, die Standheizung war schon verbaut...
Sprinter 312D, mittlere Radstand,4x4 Iglhaut-Umbau, Bj 1998
Zur Zeit unterwegs auf Weltreise: http://www.theworldisourbackyard.blogspot.de
Kopfhalterung für Kleinkinder auf dem Fahrradsitz: http://www.head-rest.com
Zur Zeit unterwegs auf Weltreise: http://www.theworldisourbackyard.blogspot.de
Kopfhalterung für Kleinkinder auf dem Fahrradsitz: http://www.head-rest.com
Re: Nachrüstung Warmwasser
Moin,
Truma TT 2 ist meisten in den Wohnwagen drin, zwischen die Heizungsschläuche gesteckt.
Ob Du damit alleine das Wasser heiß bekommst,.............?
Zusätzlich 230 Volt. Dann wird`s richtig heiß.
Truma TT 2 ist meisten in den Wohnwagen drin, zwischen die Heizungsschläuche gesteckt.
Ob Du damit alleine das Wasser heiß bekommst,.............?
Zusätzlich 230 Volt. Dann wird`s richtig heiß.
Gruß
Peter
212D`99 >in gute Hände abgegeben<
3
D`08 Mitlhoda
Sprintertreffen 2009-11-12-13-15-17-18-19-22
Familientreffen 2010
Peter
212D`99 >in gute Hände abgegeben<
3
Sprintertreffen 2009-11-12-13-15-17-18-19-22
Familientreffen 2010
- sprinteratw
- Stammgast

- Beiträge: 227
- Registriert: 06 Feb 2013 17:05
- Wohnort: 81929 München
- Galerie
Re: Nachrüstung Warmwasser
Hallo noch mal,
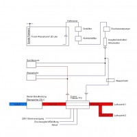
habe mich in den letzten Tagen noch mal etwas intensiver mit dem Thema beschäftigt und eine Skizze für den möglichen Ein/Umbau erstellt, s. Bild "Wasserversogung IST" und ein Bild Wasserversorgung SOLL". Würde mal gerne eure Meinung dazu einholen.
Noch mal zur Erinnerung: Ich möchte keine Gastherrme einbauen.
Den 230 V Heizstab betreibe ich bei Gelegenheit entweder mit Landstrom oder über den 12/230 V Konverter.
Folgende Fragen habe ich noch:
a) Wo und wieviele Absperrhähne soll ich verbauen?
b) Ich habe eine Druckwasserpumpe im Einsatz. Muss ich dann noch einen Druckminderer vor die Therme bauen?
c) Wenn das Wasser aufgewärmt ist und ich es entnehme, wird dann direkt kaltes Wasser in die Therme nachfließen oder wie funktioniert das? Das hieße ja dann rein theoretisch, dass der erste Liter noch 65 Grad hätte, dann aber durch das Kaltwasser was einfließt jeder weiterer Liter deutlich kälter ist?
d) Wenn ich das Wasser im Sommer über die Standheizung erwärmen möchte, wird es ja auch gleichzeitig im Fahrzeug warm. Das lässt sich mit dem Einsatz dieser Therme wohl kaum vermeiden, oder?
e) Ich würde gerne ein Thermometer an der Therme anbringen damit ich das Wasser z.B. wenn eine Temperatur von 40 Grad erreicht ist manuell abschalten kann. Wo/wie kann man den (überhaupt) anbringen?
Vielen Dank noch mal für eure zahlreichen Ideen und Tips!
habe mich in den letzten Tagen noch mal etwas intensiver mit dem Thema beschäftigt und eine Skizze für den möglichen Ein/Umbau erstellt, s. Bild "Wasserversogung IST" und ein Bild Wasserversorgung SOLL". Würde mal gerne eure Meinung dazu einholen.
Noch mal zur Erinnerung: Ich möchte keine Gastherrme einbauen.
Den 230 V Heizstab betreibe ich bei Gelegenheit entweder mit Landstrom oder über den 12/230 V Konverter.
Folgende Fragen habe ich noch:
a) Wo und wieviele Absperrhähne soll ich verbauen?
b) Ich habe eine Druckwasserpumpe im Einsatz. Muss ich dann noch einen Druckminderer vor die Therme bauen?
c) Wenn das Wasser aufgewärmt ist und ich es entnehme, wird dann direkt kaltes Wasser in die Therme nachfließen oder wie funktioniert das? Das hieße ja dann rein theoretisch, dass der erste Liter noch 65 Grad hätte, dann aber durch das Kaltwasser was einfließt jeder weiterer Liter deutlich kälter ist?
d) Wenn ich das Wasser im Sommer über die Standheizung erwärmen möchte, wird es ja auch gleichzeitig im Fahrzeug warm. Das lässt sich mit dem Einsatz dieser Therme wohl kaum vermeiden, oder?
e) Ich würde gerne ein Thermometer an der Therme anbringen damit ich das Wasser z.B. wenn eine Temperatur von 40 Grad erreicht ist manuell abschalten kann. Wo/wie kann man den (überhaupt) anbringen?
Vielen Dank noch mal für eure zahlreichen Ideen und Tips!
Sprinter 312D, mittlere Radstand,4x4 Iglhaut-Umbau, Bj 1998
Zur Zeit unterwegs auf Weltreise: http://www.theworldisourbackyard.blogspot.de
Kopfhalterung für Kleinkinder auf dem Fahrradsitz: http://www.head-rest.com
Zur Zeit unterwegs auf Weltreise: http://www.theworldisourbackyard.blogspot.de
Kopfhalterung für Kleinkinder auf dem Fahrradsitz: http://www.head-rest.com
- sprinteratw
- Stammgast

- Beiträge: 227
- Registriert: 06 Feb 2013 17:05
- Wohnort: 81929 München
- Galerie
Re: Nachrüstung Warmwasser
Kann denn wirklich Keiner auch nur eine der Fragen beantworten? Die Therme wird doch so oft eingesetzt....
Sprinter 312D, mittlere Radstand,4x4 Iglhaut-Umbau, Bj 1998
Zur Zeit unterwegs auf Weltreise: http://www.theworldisourbackyard.blogspot.de
Kopfhalterung für Kleinkinder auf dem Fahrradsitz: http://www.head-rest.com
Zur Zeit unterwegs auf Weltreise: http://www.theworldisourbackyard.blogspot.de
Kopfhalterung für Kleinkinder auf dem Fahrradsitz: http://www.head-rest.com
Re: Nachrüstung Warmwasser
Hallo sprinteratw,
ich skizziere Dir mal unsere Heizung/Warmwasseranlage im Lauf der nächsten Woche wenn Du willst. Wie gesagt gehe ich aber über den Kühlkreis bzw nachher noch über eine zweite Eberspächer Wasserheizung.
Mit den Absperrungen mußt Du Die überlegen was Sinn macht. Im worst-case läuft Dein Wassertank leer, wenn das akzeptabel ist?...
Einen Druckminderer habe ich bei mir nirgends verbaut und wegen der Temperatur mußt Du Dir keine Sorgen machen wenn das WW warm genug ist. Bei uns hat das Wasser 85°C im Boiler und das reicht für 2 Leute zum 'normalen' duschen. Wenn man nicht duscht ist es nächsten morgen noch schön angenehm zum waschen.
Hoffe das hilft Die wenigstens etwas...
Grüße
THOMAS
ich skizziere Dir mal unsere Heizung/Warmwasseranlage im Lauf der nächsten Woche wenn Du willst. Wie gesagt gehe ich aber über den Kühlkreis bzw nachher noch über eine zweite Eberspächer Wasserheizung.
Mit den Absperrungen mußt Du Die überlegen was Sinn macht. Im worst-case läuft Dein Wassertank leer, wenn das akzeptabel ist?...
Einen Druckminderer habe ich bei mir nirgends verbaut und wegen der Temperatur mußt Du Dir keine Sorgen machen wenn das WW warm genug ist. Bei uns hat das Wasser 85°C im Boiler und das reicht für 2 Leute zum 'normalen' duschen. Wenn man nicht duscht ist es nächsten morgen noch schön angenehm zum waschen.
Hoffe das hilft Die wenigstens etwas...
Grüße
THOMAS
- Folgende Benutzer bedankten sich beim Autor Thomas135 für den Beitrag:
- sprinteratw (14 Mär 2014 18:59)
Re: Nachrüstung Warmwasser
Tach,
guck mal hier >>>>http://www.wohnwagen-forum.net/index.ph ... adID=54923<<<
so wird es im Wohnwagen verbaut.
a) wofür Absperrhähne? Gehe mal davon aus, da? Du eine Mischbatterie einbaust.
Wenn Du "kalt " außenrum legst, hast Du auch nur kalt, wenn du "kalt" aufdrehst.
Dann nochmal "kalt" zur Therme.
Wenn Du dann "warm" aufdrehst, läuft das Wasser duch die Therme und wird erwärmt, wenn sie "an" ist.
b) keine Ahnung
c) richtig, außer, daß die ersten Liter aus der Leitung auch noch kalt sind.
d)es sei denn, Du baust Dir was zu Umstellen und legst nochmal Extraschläuche zur Therme.
Für diesen Aufwand und den Verbrauch der Standheizung kannst Du aber auch mit 230 Volt aufheizen
e) keine Ahnung
guck mal hier >>>>http://www.wohnwagen-forum.net/index.ph ... adID=54923<<<
so wird es im Wohnwagen verbaut.
a) wofür Absperrhähne? Gehe mal davon aus, da? Du eine Mischbatterie einbaust.
Wenn Du "kalt " außenrum legst, hast Du auch nur kalt, wenn du "kalt" aufdrehst.
Dann nochmal "kalt" zur Therme.
Wenn Du dann "warm" aufdrehst, läuft das Wasser duch die Therme und wird erwärmt, wenn sie "an" ist.
b) keine Ahnung
c) richtig, außer, daß die ersten Liter aus der Leitung auch noch kalt sind.
d)es sei denn, Du baust Dir was zu Umstellen und legst nochmal Extraschläuche zur Therme.
Für diesen Aufwand und den Verbrauch der Standheizung kannst Du aber auch mit 230 Volt aufheizen
e) keine Ahnung
- Folgende Benutzer bedankten sich beim Autor WilleWutz für den Beitrag:
- sprinteratw (14 Mär 2014 19:06)
Gruß
Peter
212D`99 >in gute Hände abgegeben<
3
D`08 Mitlhoda
Sprintertreffen 2009-11-12-13-15-17-18-19-22
Familientreffen 2010
Peter
212D`99 >in gute Hände abgegeben<
3
Sprintertreffen 2009-11-12-13-15-17-18-19-22
Familientreffen 2010
Re: Nachrüstung Warmwasser
Hallo sprinteratw,
Du hast eine Druckwasserpumpe, habe ich auch. Ein T-Stück setzt meinen Boiler ebenso unter Druck wie die Kaltwasserleitung. Das bisschen Druck (so um die 0,5 bar) stört nicht. Drehe ich Warmwasser auf, dann läuft das Wasser aus dem Tank eben in den Boiler und ersetzt das, was ich entnehme. Steht die Mischbatterie irgendwo, dann teilt sich eben das fließende Wasser zwischen beiden Wasserbereichen.
Ich habe am Boiler einen Ablasshahn zwecks Entleerung im Winter und dazu noch ein Ventil, mit dem ich den Boiler aus dem System heraushalten kann, z.B. wenn ich für die Einwinterung die Leitungen mit Frostschutz durchspüle.
Mein Boiler hat für die Elektroheizung einen Thermostat verbaut (Stufen von I bis IV), ist nützlich für Elektroheizung mit Bordstrom, sonst kann man darüber peilen, wie warm as Wasser noch ist.
Vielleicht hilfts weiter.
Grüße
Reisender
Du hast eine Druckwasserpumpe, habe ich auch. Ein T-Stück setzt meinen Boiler ebenso unter Druck wie die Kaltwasserleitung. Das bisschen Druck (so um die 0,5 bar) stört nicht. Drehe ich Warmwasser auf, dann läuft das Wasser aus dem Tank eben in den Boiler und ersetzt das, was ich entnehme. Steht die Mischbatterie irgendwo, dann teilt sich eben das fließende Wasser zwischen beiden Wasserbereichen.
Ich habe am Boiler einen Ablasshahn zwecks Entleerung im Winter und dazu noch ein Ventil, mit dem ich den Boiler aus dem System heraushalten kann, z.B. wenn ich für die Einwinterung die Leitungen mit Frostschutz durchspüle.
Mein Boiler hat für die Elektroheizung einen Thermostat verbaut (Stufen von I bis IV), ist nützlich für Elektroheizung mit Bordstrom, sonst kann man darüber peilen, wie warm as Wasser noch ist.
Vielleicht hilfts weiter.
Grüße
Reisender
- Folgende Benutzer bedankten sich beim Autor Reisender für den Beitrag:
- sprinteratw (14 Mär 2014 19:08)
-.-.-.-.-.-.-.-.-.-.-.-
1000 Meilen von zu Haus sieht die Welt ganz anders aus..
1000 Meilen von zu Haus sieht die Welt ganz anders aus..
- sprinteratw
- Stammgast

- Beiträge: 227
- Registriert: 06 Feb 2013 17:05
- Wohnort: 81929 München
- Galerie
Re: Nachrüstung Warmwasser
Hi Thomas,Thomas135 hat geschrieben:Hallo sprinteratw,
ich skizziere Dir mal unsere Heizung/Warmwasseranlage im Lauf der nächsten Woche wenn Du willst. Wie gesagt gehe ich aber über den Kühlkreis bzw nachher noch über eine zweite Eberspächer Wasserheizung.
Mit den Absperrungen mußt Du Die überlegen was Sinn macht. Im worst-case läuft Dein Wassertank leer, wenn das akzeptabel ist?...
Einen Druckminderer habe ich bei mir nirgends verbaut und wegen der Temperatur mußt Du Dir keine Sorgen machen wenn das WW warm genug ist. Bei uns hat das Wasser 85°C im Boiler und das reicht für 2 Leute zum 'normalen' duschen. Wenn man nicht duscht ist es nächsten morgen noch schön angenehm zum waschen.
Hoffe das hilft Die wenigstens etwas...
Grüße
THOMAS
vielen Dank für das Angebot aber ich glaube das musst du nicht extra tun....
Was meinst du mit Wassertank leerlaufen? Meinst du, dass das Wasser aus dem Frischwassertank durch die Therme und dann über dem Überlauf raus läuft? Den Überlauf sollte ich dann ja auf jeden Fall so verlegen, dass der Schlauch auch wirklich aus dem Fahrzeug rausführt....hatte nämlich erst an eine "kleine Wanne" gedacht, welche die 5 Liter aufnehmen könnte, aber so....
Hast du eine Druckwasserpumpe im Einsatz?
Hast mir auf jeden Fall schon mal weitergeholfen, vielen Dank
Sprinter 312D, mittlere Radstand,4x4 Iglhaut-Umbau, Bj 1998
Zur Zeit unterwegs auf Weltreise: http://www.theworldisourbackyard.blogspot.de
Kopfhalterung für Kleinkinder auf dem Fahrradsitz: http://www.head-rest.com
Zur Zeit unterwegs auf Weltreise: http://www.theworldisourbackyard.blogspot.de
Kopfhalterung für Kleinkinder auf dem Fahrradsitz: http://www.head-rest.com









