Ich hol den Thread mal aus den Tiefen des Forums hervor um nicht einen Neuen aufzumachen...
Ich habe mich auch mit dem Thema Nachrüstung Zuziehilfe auseinandergesetzt, da mich das schwere Zuziehen der Schiebetür von
innen immer ein wenig gestört hat.
Hier liegt es bei uns primär an einem voll ausgebauten Sprinter, bei dem die Entlüftungsklappen teilweise verbaut sind und das Bett den Luftstrom zusätzlich dämpft.
Folgende Infos findet man ja zu dem System:
- Das Zusiehsystem besteht an sich aus vier Hauptkomponenten und einem geänderten Kabelsatz in der Schiebetür
- Servoschließbügel in C-Säule
- Türsteuergerät
- Türschloss in Schiebetür OBEN
- Aktor für Türschloss Schiebetür OBEN
An sich registriert das "normale" Türschloss in der Schiebetür, dass die Tür offen ist und meldet dies an das Türsteuergerät, welches dann den Servoschließbügel nach außen fährt.
Wenn nun die das Türschloss erkennt, dass die Tür in den Schließbügel einrastet, steuert sie über das Türsteuergerät die beiden Aktoren an (Schließbügel & Aktor für Türschloss oben).
Daraufhin wird der Servobügel eingefahren und das obere Türschloss über einen Bowdenzug verschlossen.
Bei erneutem Öffnen fahren beide Aktoren wieder in die geöffnete Stellung.
(Bei dem Öffnen bin ich mir nicht zu 100% sicher wann das Öffnen der Schließbügel/Aktor im Normalfall genau passiert)
Da es für mich primär um das Zuziehen der Tür ging bis die Dichtungen ringherum schließen, habe ich mich in erster Linie um den Servoschließbügel gekümmert, da dieser die Hauptarbeit übernimmt.
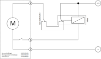
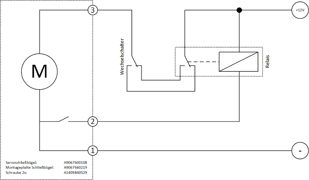
In diversen Schaltplänen sieht man, dass der Schließbügel mit 3 Pins angesteuert wird.
- Pin 1: Fahrzeugmasse
- Pin 2: Schalter der
während des Zuziehens zur Fahrzeugmasse geschlossen ist und beim Öffnen geöffnet ist
- Pin 3: 12V
Mit einer einfachen Wechselschaltung (1x Relais und 1x Wechselschalter, siehe Anhang) kann man durch einen Knopfdruck den Schließbügel ausfahren lassen bzw. beim erneuten drücken einfahren lassen.
Dadurch hat man zwar die Automatisierung des Originalsystems nicht, aber von innen kann man manuell die Schiebetür nach einfachen Zuschieben einfahren lassen, sodass die Dichtung ringerherum schließt.
Vor der Benutzung muss man daher en Wechselschalter betätigen, um den Schließbügel ausfahren zu lassen. Dann lässt man die Schiebetür langsam zugleiten, bis das Schloss vollständig einrastet. Anschließend lässt man den Schlossbügel zufahren und die Schiebetür schließt sich bis zum Gewohnten Punkt.
Zum Einbau:
Die C-Säulen haben, wie in den vorangegangenen Bildern, die Entsprechende Öffnung nicht, jedoch ist eine entsprechende Prägung vorhanden. Entlang dieser Prägung wird eine etwas kleinere Öffnung in die C-Säule geschnitten, um den Schließbügel zu montieren.
Für die werkseitigen starren Bügel befindet sich im Inneren eine bewegliche Platte mit zwei Gewindehülsen (zweites Bild bzw. blaue Markierung im dritten Bild). Diese wird entfernt und nun kann der Servoschließbügel
A9067600108 montiert werden. Dazu benötigt man noch eine Montageplatte
A9067660219 und zwei Schrauben
A1409840529.
Mit ein wenig Glück findet man bei den einschlägigen Gebrauchtmärkten ein Schließbügel wo die Montageplatte, Schrauben und das Anschlusskabel schon mit dabei sind.
Ich hoffe ich komme die Tage noch dazu ein paar Fotos im eingebauten Zustand zu machen.

- Ansteuerung manuelle Zuziehhilfe

- Blick von außen auf die C-Säule bei demontierten starren Schlossbügel

- C-Säule von Innen mit beweglichen Gewindehülsen